| Askı Tipi | 2:1 | Seyir Mesafesi | 33 M. | Statik Yük | 7000 kg | ||||
| Suspansion | Cruising Range | Statik Load | |||||||
| Makine Tipi | Hız (m/s) | Kapasite (kg) | Güç (kW) | Kasnak (mm) | Akım (A) | Kutup | Frekans | Devir (rpm) | Tork (Nm) |
| Machine Type | Speed (m/s) | Capacity (kg) | Power (kW) | Pulley (mm) | Current (A) | Poles | Frequency | Revolution (rpm) | Torque (Nm) |
| VOLPİ MRL 2-3 | 0,63 | 1000 | 3,9 | 360x7x8 | 13,7 | 20P | 11,14 | 67 | 552 |
| VOLPİ MRL 2-3 | 1,00 | 1000 | 6,1 | 360x7x8 | 18,6 | 20P | 17,68 | 106 | 552 |
| VOLPİ MRL 2-3 | 1,60 | 1000 | 9,8 | 360x7x8 | 26,0 | 20P | 28,29 | 170 | 552 |
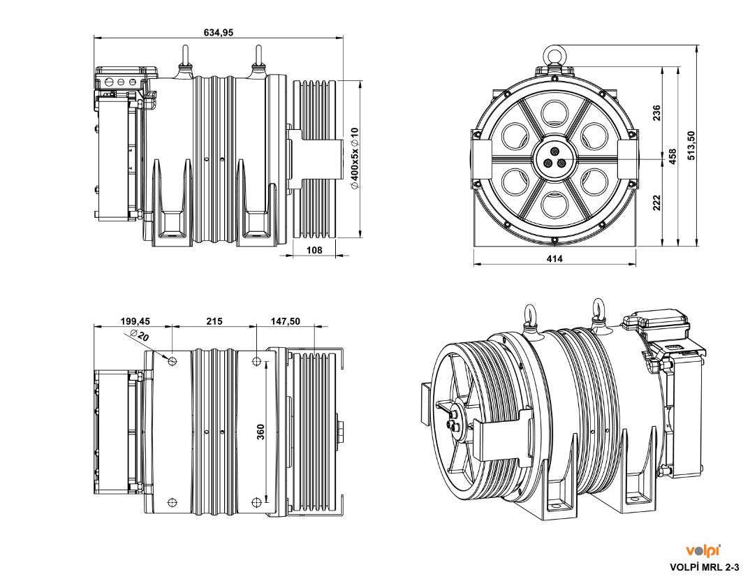
| VOLPİ MRL 2-3 | 2,00 | 1000 | 12,3 | 360x7x8 | 30,6 | 20P | 35,37 | 212 | 552 |
| VOLPİ MRL 2-3 | 2,50 | 1000 | 15,3 | 360x7x8 | 38,3 | 20P | 44,21 | 265 | 552 |
| VOLPİ MRL 2-3 | 0,63 | 1000 | 3,9 | 400X5X10 | 13,7 | 20P | 10,03 | 60 | 613 |
| VOLPİ MRL 2-3 | 1,00 | 1000 | 6,1 | 400X5X10 | 21,7 | 20P | 15,92 | 95 | 613 |
| VOLPİ MRL 2-3 | 1,60 | 1000 | 9,8 | 400X5X10 | 26,0 | 20P | 25,46 | 153 | 613 |
| VOLPİ MRL 2-3 | 2,00 | 1000 | 12,3 | 400X5X10 | 32,5 | 20P | 31,83 | 191 | 613 |
| VOLPİ MRL 2-3 | 2,50 | 1000 | 15,3 | 400X5X10 | 38,3 | 20P | 39,79 | 239 | 613 |
| VOLPİ MRL 2-3 | 0,63 | 1275 | 4,9 | 320x10x8 | 17,4 | 20P | 12,53 | 75 | 625 |
| VOLPİ MRL 2-3 | 1,00 | 1275 | 7,8 | 320x10x8 | 23,7 | 20P | 19,89 | 119 | 625 |
| VOLPİ MRL 2-3 | 1,60 | 1275 | 12,5 | 320x10x8 | 33,2 | 20P | 31,83 | 191 | 625 |
| VOLPİ MRL 2-3 | 2,00 | 1275 | 15,6 | 320x10x8 | 39,0 | 20P | 39,79 | 239 | 625 |
| VOLPİ MRL 2-3 | 2,50 | 1275 | 19,5 | 320x10x8 | 48,8 | 20P | 49,74 | 298 | 625 |
| VOLPİ MRL 2-3 | 0,63 | 1275 | 4,9 | 360X8X8 | 17,4 | 20P | 11,14 | 67 | 704 |
| VOLPİ MRL 2-3 | 1,00 | 1275 | 7,8 | 360X8X8 | 23,7 | 20P | 17,68 | 106 | 704 |
| VOLPİ MRL 2-3 | 1,60 | 1275 | 12,5 | 360X8X8 | 33,2 | 20P | 28,29 | 170 | 704 |
| VOLPİ MRL 2-3 | 2,00 | 1275 | 15,6 | 360X8X8 | 39,0 | 20P | 35,37 | 212 | 704 |
| VOLPİ MRL 2-3 | 2,50 | 1275 | 19,5 | 360X8X8 | 48,8 | 20P | 44,21 | 265 | 704 |
| VOLPİ MRL 2-3 | 0,63 | 1275 | 4,9 | 400X6X10 | 17,4 | 20P | 10,03 | 60 | 782 |
| VOLPİ MRL 2-3 | 1,00 | 1275 | 7,8 | 400X6X10 | 27,6 | 20P | 15,92 | 95 | 782 |
| VOLPİ MRL 2-3 | 1,60 | 1275 | 12,5 | 400X6X10 | 33,2 | 20P | 25,46 | 153 | 782 |
| VOLPİ MRL 2-3 | 2,00 | 1275 | 15,6 | 400X6X10 | 41,5 | 20P | 31,83 | 191 | 782 |
| VOLPİ MRL 2-3 | 2,50 | 1275 | 19,5 | 400X6X10 | 48,8 | 20P | 39,79 | 239 | 782 |
| VOLPİ MRL 2-3 | 0,63 | 1600 | 6,2 | 320x11x8 | 21,9 | 20P | 12,53 | 75 | 785 |
| VOLPİ MRL 2-3 | 1,00 | 1600 | 9,8 | 320x11x8 | 29,7 | 20P | 19,89 | 119 | 785 |
| VOLPİ MRL 2-3 | 1,60 | 1600 | 15,7 | 320x11x8 | 41,6 | 20P | 31,83 | 191 | 785 |
| VOLPİ MRL 2-3 | 2,00 | 1600 | 19,6 | 320x11x8 | 49,0 | 20P | 39,79 | 239 | 785 |
| VOLPİ MRL 2-3 | 2,50 | 1600 | 24,5 | 320x11x8 | 61,2 | 20P | 49,74 | 298 | 785 |
| Teknik Döküman | İndir |