Telefon
Telegram
WhatsApp
İnstagram
Vizyon Asansör
Vizyon Asansör
Kaliteyi ve güveni ön planda tutan kurumsal hizmetler

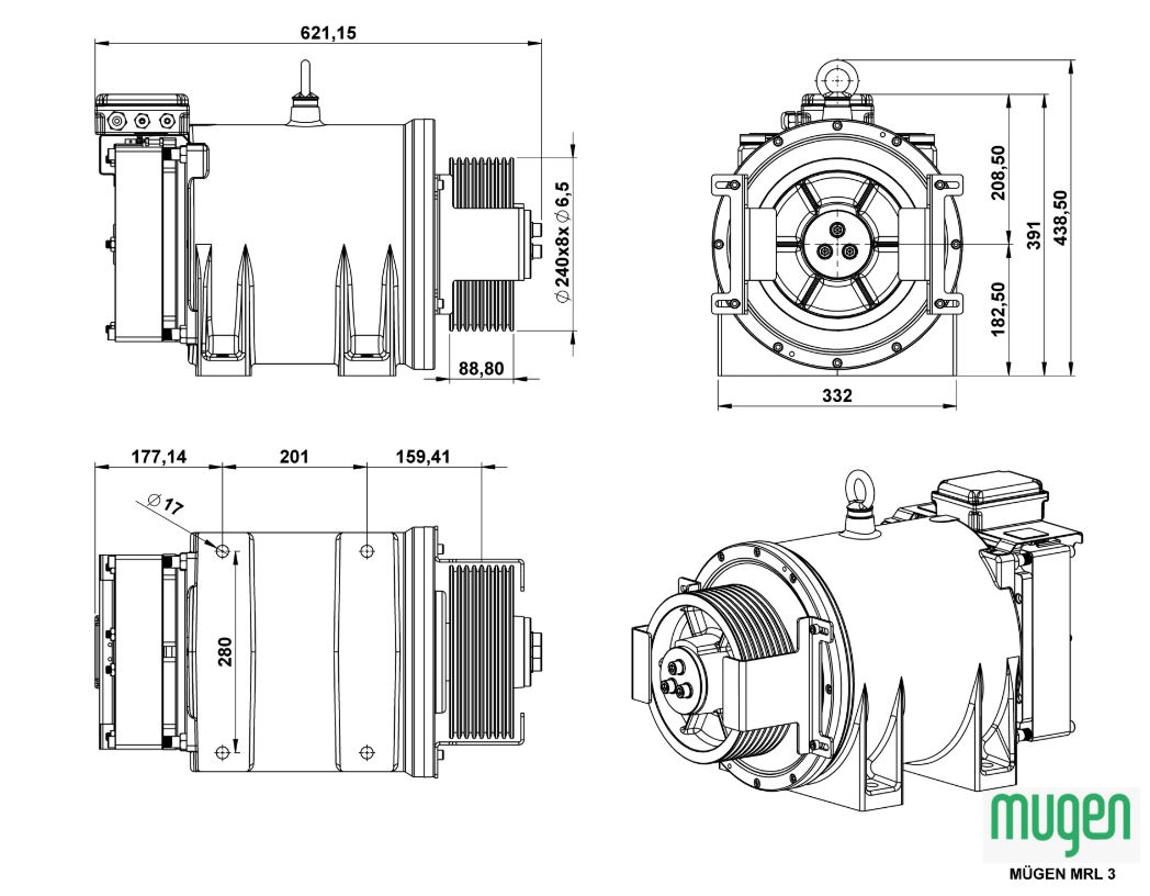
MUGEN MRL3

Zengin ürün yelpazemizle farklı sektör ve ihtiyaçlara hitap ediyor, yüksek kalite standartlarıyla fark yaratıyoruz.

MUGEN MRL3

Ürün Kodu
Açıklama
İndirilebir Dosyalar
Sipariş Formu
Askı Tipi 2:1       Seyir Mesafesi 21 M. Statik Yük   7000 kg
Suspension       Cruising Range Static Load   
Makine Tipi Hız (m/s) Kapasite (kg) Güç (kW) Kasnak (mm) Akım (A) Kutup Frekans Devir (rpm) Tork (Nm)
Machine Type Speed (m/s) Capacity (kg) Power (kW) Pulley (mm) Current (A) Poles Frequency Revolution (rpm) Torque (Nm)
MUGEN MRL 3 0,63 800 3,1 320x5x8 10,9 20P 12,50 75 392
MUGEN MRL 3 1,00 800 4,9 320x5x8 14,9 20P 20,00 120 392
MUGEN MRL 3 1,60 800 7,8 320x5x8 20,8 20P 31,83 191 392
MUGEN MRL 3 0,63 1000 3,9 210x10x6,5 11,7 20P 19,17 115 322
MUGEN MRL 3 1,00 1000 6,1 210x10x6,5 16,3 20P 30,33 182 322
MUGEN MRL 3 1,60 1000 9,8 210x10x6,5 24,5 20P 48,50 291 322
MUGEN MRL 3 0,63 1000 3,9 240x8x6,5 11,7 20P 16,67 100 368
MUGEN MRL 3 1,00 1000 6,1 240x8x6,5 16,3 20P 26,67 160 368
MUGEN MRL 3 1,60 1000 9,8 240x8x6,5 24,5 20P 42,50 255 368
MUGEN MRL 3 0,63 1275 4,9 210x11x6,5 14,9 20P 19,17 115 410
MUGEN MRL 3 1,00 1275 7,8 210x11x6,5 20,7 20P 30,33 182 410
MUGEN MRL 3 1,60 1275 12,5 210x11x6,5 31,2 20P 48,50 291 410
MUGEN MRL 3 0,63 1275 4,9 240x9x6,5 14,9 20P 16,67 100 469
MUGEN MRL 3 1,00 1275 7,8 240x9x6,5 20,7 20P 26,67 160 469
MUGEN MRL 3 1,60 1275 12,5 240x9x6,5 31,2 20P 42,50 255 469
Teknik Döküman İndir